- Products
Sinewave brushless torque motorYou Are Here:Home >> Products >> Brushless DC motor >> Sinewave brushless torque motor
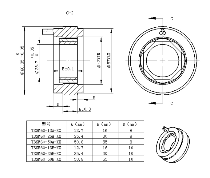
| TBSM60 series brushless torque motor |
| Release time:2017-08-10 08:45:15| Browse times: |
| Last chapter:TBSM76 series brushless torque motor Next chapter: |




